AG¾ÅÓλá

AG¾ÅÓλᡤ(ÖйúÇø)Ò»´¥¼´·¢

³¬¿í´øÕý½»Ä£ñîºÏÆ÷

Õý½»Ä£ñîºÏÆ÷(OMT)Ϊ²¨µ¼Èý¶Ë¿ÚÆ÷¼þ£¬ÊÇÓÃÓÚÔ²²¨µ¼»ò¾ØÐ⨵¼ÏµÍ³ÖÐÊèÉ¢³öÁ½¸ö²î±ð¼«»¯²¨µÄ×°Öã¬ÓÃÓÚË«Ïß¼«»¯ÐźÅÊèÉ¢»òºÏ³É¡£¼«»¯·½·¨ÎªÏß¼«»¯( ±ÊÖ±£¬Ë®Æ½)¡£
±¾¹«Ë¾Éè¼ÆµÄ³¬¿í´øOMTÓÐÁ½ÖÖÐÎʽ£¨·½ÐλòÔ²Ð⨵¼¿Ú£©£¬·½²¨µ¼¿ÚµÄOMT¹«¹²¿ÚΪ·½ÐΣ¬ÇÒ¹«¹²¿Ú´¦ÔÚÆ÷¼þµÄÖÐÖáÏßÉÏ£¬ÈçÐèÅþÁ¬Ô²²¨µ¼¿ÚÀ®°ÈÌìÏßÐèÒªÅäÖÜÔâת»»£¬ÆäµçÌØÕ÷Êǵȷù²»µÈÏࣻԲ²¨µ¼¿ÚµÄOMT¹«¹²¿ÚΪԲÐΣ¬¿ÉÖ±½ÓÅþÁ¬Ô²²¨µ¼¿ÚÀ®°ÈÌìÏߣ¬ÇÒ¹«¹²¿Ú´¦ÔÚÆ÷¼þµÄÆ«ÐÄλÖã¬ÆäµçÌØÕ÷ÊǵȷùµÈÏà¡£¿Í»§¿Éƾ֤×ÔÉíÐèÇóÀ´Ñ¡ÔñÏìÓ¦OMTÐÎʽ¡£
²âÊÔ±¨¸æ

12-18GHz Õý½»Ä£ñîºÏÆ÷£¨OMT£©

AG¾ÅÓλᡤ(ÖйúÇø)Ò»´¥¼´·¢

AG¾ÅÓλṫ˾¿ª·¢³öµÄ¿í´øÕý½»Ä£ñîºÏÆ÷(OMT)ϵÁУ¬¿ÉÁýÕÖ´ÓK µ½W Ƶ¶Î¹²Æß¸öƵ¶ÎµÄÈ«²¨µ¼Æµ´ø¡£Õý½»Ä£ñîºÏÆ÷¿É½«Ô²²¨µ¼»ò·½²¨µ¼¿ÚµÄÐźÅÊèÉ¢³ÉÁ½¸öÕý½»·ÖÁ¿µÄÐźÅ£¬²¢´ÓÏìÓ¦µÄ¾ØÐ⨵¼¿ÚÊä³ö£¬Í¬Ê±£¬Á½¸ö¼«»¯µÄÐźžßÓÐ30db ÒÔÉϵĸôÀë¶È¡£·´Ö®£¬Á½¸öÕý½»µÄÏß¼«»¯ÐźſÉÒԺϲ¢Êä³öµ½Ô²²¨µ¼»ò·½²¨µ¼¿Ú¡£
´ËOMT ϵÁпÉÓÃÀ´Æ¥ÅäÊÕ·¢¹²ÓÃµÄ¿í´øË«¼«»¯ÌìÏߣ¬ ÄÜÔÚÒ»¸öÅäºÏµÄ¶Ë¿ÚÄÚ´«ÊäÁ½¸öÕý½»µÄ·ÖÁ¿£¬ÒÔÖª×ã¿Í»§µÄÖݪֲâÊÔÐèÇó¡£
ÉÏͼչʾµÄÕý½»Ä£ñîºÏÆ÷£¬ÆäÊÂÇé´ø¿íΪ12-18GHz. ¿ÉʵÏÖÆµ¶ÎÄÚµÄÊÕ·¢¹²Ó㬾ßÓи߼«»¯¸ôÀë¶È£¬ µÍ²îË𣬠¿íƵ´øµÄÌØµã£¬ ²¢ÇÒ»¹¼æ¹Ë·ù¶ÈÒ»ÖÂÐԸߵÄÒªÇó¡£ÎÒ¹«Ë¾Ò²¿ÉÒÔÅäºÏ¿Í»§µÄÒªÇóÁ¿Éí¶¨ÖÆÆäËûÐèÇóµÄ¿í´øOMT¡£

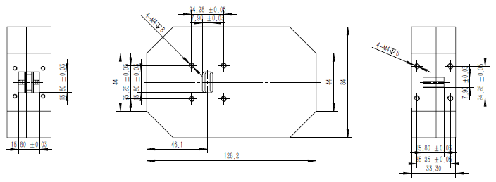
ÐÎ״ͼ (Mechanical Outline):

AG¾ÅÓλᡤ(ÖйúÇø)Ò»´¥¼´·¢

Ò»Ñùƽ³£Ö¸±ê (Mechanical Specifications): 

²ÄÖÊ£º ÂÁ¶Û»¯£¬ÍâÅçÆá 
³ß´ç£º 128.2 X 80 X 33.3(³¤¿í¸ß mm)
ÖØÁ¿£º Ô¼ 730 ¿Ë

ÊÖÒÕÖ¸±ê (Electronic Specifications): 

ƵÂÊ£º 12-18 GHz
פ²¨£¨Typ.£©£º ≤1.3
²îË𣺠≤0.8 dB
¸ôÀ룺 >40 dB

AG¾ÅÓλᡤ(ÖйúÇø)Ò»´¥¼´·¢

 

ÍøÕ¾µØÍ¼